"LightLink" Remote Switched Outlet

Overview

A way to remotely link power outlets! This is an idea taken from the "Switcheroo" device that takes an existing switched power outlet and links it's state wirelessly with another outlet. Basically, you can change the location of an outlet that is already hooked up to a light switch. The device uses a simple 915MHz wireless transceiver so there's no wifi/bluetooth involved. You just select the channel you want to control and if any device on that channel is powered on or off, all of the devices on that channel will follow it. It's really useful for me in an apartment where you can't change the wiring (or just don't want to).

Board Design

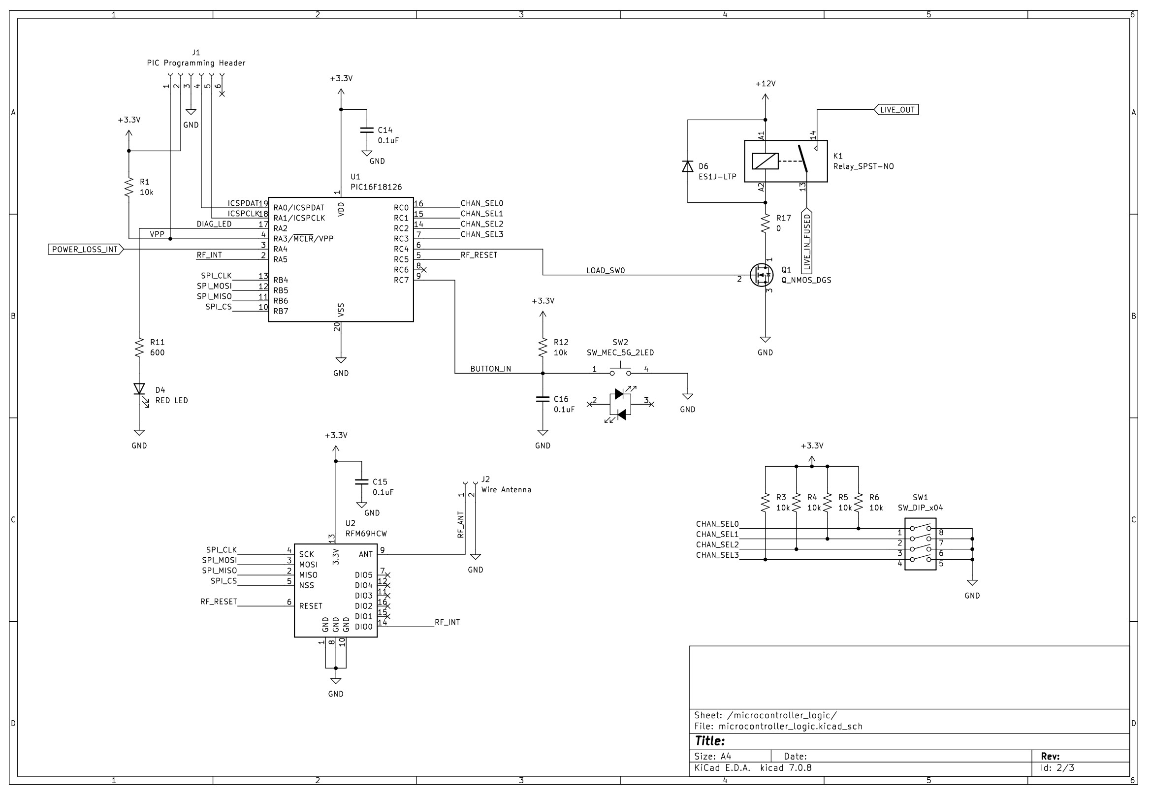
The board was designed in KiCAD and manufactured by JLC PCB. The main components are a PIC microcontroller connected to an RFM69HCW wireless transceiver. There's also a relay connected to the live end of the incoming mains voltage and a small set of DIP switches for selecting which channel to transmit on. The power system is somewhat interesting. A 12V rail is generated through a simple switching regulator that's designed to replace capacitive dropper circuits (small amount of current). This rail contains some very large electrolytic capacitors that serve to store energy and power the rest of the system for a small amount of time when mains voltage is lost. This 12V rail feeds into a second DC-DC switching regulator that powers the digital electronics. If the 12V rail drops below a threshold, a signal is sent to the PIC to transmit the "power down" command to all other LightLinks on it's channel.

Github

https://github.com/spstack/lightlink-remote-outlet